5616544707c11e829dfdf82a1b2e607fe1181e6e
circuiteria
Circuiteria is a Typst package for drawing block circuit diagrams using the CeTZ package.
Examples
|
|
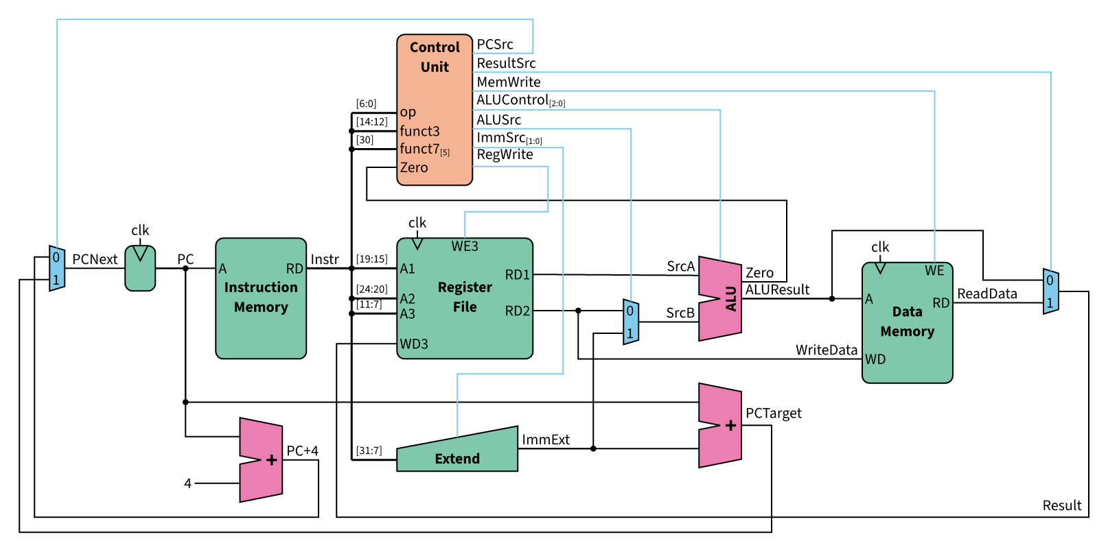
| A bit of eveything | |
|
|
| Wires everywhere | |
|
|
| Groups | Rotated |
Note
These circuit layouts were copied from a digital design course given by prof. S. Zahno and recreated using this package
Click on the example image to jump to the code.
Usage
For more information, see the manual
To use this package, simply import circuiteria and call the circuit function:
#import "@preview/circuiteria:0.2.0"
#circuiteria.circuit({
import circuiteria: *
...
})
Description
Drawing block circuits with Typst made easy, using CeTZ
https://typst.app/universe/package/circuiteria
Readme
Apache-2.0
2.8 MiB
V0.2.0
Latest
Languages
Typst
99.7%
Just
0.3%
